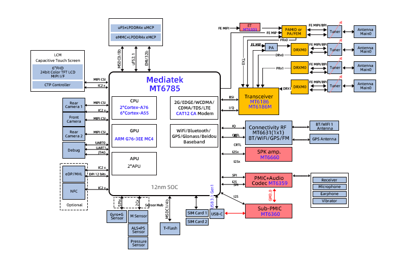
新移科技XY6785CD安卓核心板 是一款基于 聯發科MTK6785 平臺、工業級高性能、可運行 android12.0 & android13.0 操作系統的 4G智能模塊。集成了藍牙、FM、WLAN和GPS模塊,是一個高度集成的基帶平臺,結合了調制解調器和應用處理子系統,以支持LTE/LTE-A和C2K智能手機應用。
該芯片平臺集成了兩個工作頻率高達2.0GHz的ARM?Cortex-A76內核、六個工作頻率高達2.0GHz的ARM?Cortex-A55內核和強大的多標準視頻編解碼器。此外,還包括一組廣泛的接口和連接外圍設備與相機、觸摸屏顯示器和UFS/MMC/sd卡的接口。應用處理器、配備NEON引擎的多核ARM?Cortex-A76、ARM?Cortex-A55提供支持最新OpenOS所需的處理能力以及其要求苛刻的應用程序,例如網頁瀏覽、電子郵件、GPS導航和游戲。所有這些都在高分辨率觸摸屏顯示器上查看,圖形通過2D和3D圖形加速增強。

XY6785CD(MTK6785平臺) 4G安卓核心板突出功能
兩個以2.0GHz運行的ARM?Cortex-A76內核
六個以2.0Hz運行的ARM?Cortex-A55內核
LPDDR4X高達10GB(具有16位數據總線寬度的雙通道)
內存時鐘高達LPDDR4-4266
LTE cat-12
嵌入式連接系統,包括WLAN/BT/FM/GPS
分辨率高達FHD+ (2,520*1,080)
OpenGL ES 3.2 3D圖形加速器
SP支持32MP@30fps
HEVC 4K@30fps解碼器
HEVC 4K@30fps編碼器
語音編解碼器(FR、HR、EFR、AMR FR、AMR HR和寬帶AMR 和 EVS_WB)

XY6785CD(MTK6785平臺) 4G安卓核心板特征
數據傳輸
支持 3GPP R9 CAT4 FDD and TDD,支持 1.4 - 20 MHz 射頻帶寬
支持 下行 2 X 2 MIMO
FDD: Max 150Mbps (DL), 50Mbps (UL);
TDD: Max 100Mbps (DL), 40Mbps (UL)
支持 3GPP R9 DC-HSPA+
支持 16-QAM, 64-QAM and QPSK modulation
3GPP R6 HSUPA: Max 11Mbps (UL)
3GPP R8 DC-HSPA+: Max 42Mbps (DL)
MAX 3.1MBPS (DL), 1.8 MBPS (UL)
BT 5.0 LE
2.4GHz/5GHz雙頻段, 支持802.11a/b/g/n, 最高至150Mbps; 支持AP模式
GPRS:支持 GPRS multi-slot class 12
編碼格式:CS-1,CS-2,CS-3 和 CS-4,每幀最大4個RX時隙
EDGE:支持EDGEmulti-slotclass12;支持GMSK和8PSK
編碼格式:CS1-4 和 MCS 1-9
支持 3GPP R8 1.28 TDD
多媒體
2520*1080(FHD)
解碼:HEVC 4K@30 fps
編碼:HEVC 4K@30 fps
接口
支持 USIM/SIM卡:1.8V和3V;支持雙卡雙待
USB3.0 Device USB 2.0 OTG
支持SD/SDHC/MS/MSPRO/MMC/SDIO2.0 or 3.0 4bit SDIO;支持熱插
支持FHD+(2160X1080)最高支持2520X1080(4組MIPI_DSI)
24bit色彩深度
6個I2C 4個I3C控制外圍設備
兩路,用于通用ADC,Input range=0.05~1.45V
4組MIPI_CSI,每組最高支持2.5GBPS速率,可支持2個攝像頭
前后攝像頭均使用4組MIPI_CSI,最高支持32M@30fps
前后攝像頭可以支持雙錄,畫中畫功能
MAIN、DRX、GNSS、WIFI/BT天線接口
欲了解更多產品詳細規格,技術咨詢劉先生,電話微信 18688981861